Máy hàn tự động ống với ống dạng mở MWG-230
mẫu mã sản phẩm:MWG-230
Phương thức hàn:Tự hàn chảy hoặc hàn điền dây
Đặc điểm sản phẩm:Độ dày thành phù hợp: 2-25mm
Phương thức bảo vệ:Khí argon và làm lạnh nước tuần hoàn
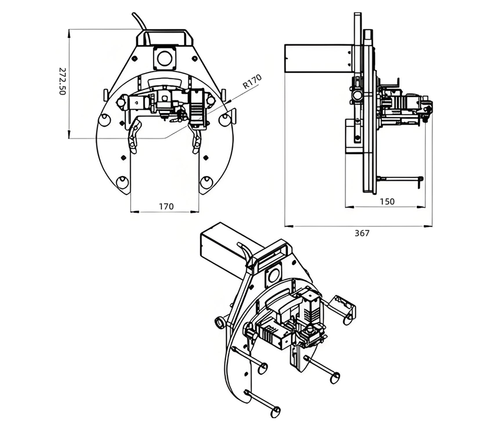
Trọng lượng đầu hàn:24KG
Giới thiệu sản phẩm
1. Ngành ứng dụng: Thực phẩm dược phẩm, lạnh công nghiệp, sinh học, chất lỏng, lắp đặt ống dẫn, v.v.;
2. Phạm vi áp dụng: Hàn ống với ống ở tất cả các vị trí cho các chất liệu như thép không gỉ, thép carbon, hợp kim titan, v.v.;
3. Thiết bị này được sử dụng cùng với nguồn điện điều khiển tích hợp MWA-400;
4. Dạng hàn: Hàn ghép nối (đối tiếp), hàn cắm;
5. Thời gian bảo hành: Một năm.
Điểm nổi bật sản phẩm
1. Kẹp kẹp kiểu ôm giúp việc lắp đặt kẹp hàn thuận tiện và chắc chắn;
2. Phần đèn hàn của đầu kẹp được làm lạnh bằng nước tuần hoàn, nâng cao tỷ lệ hoạt động liên tục;
3. Có chức năng tự động điều chỉnh độ dài hồ quang và chuyển động ngang, giảm can thiệp thủ công;
4. Độ dày thành phù hợp: 2-25mm, có rãnh cắt hình V, hàn một mặt và hình thành hai mặt;
5. Sử dụng các bộ phận chủ chốt và vật liệu nhập khẩu, đảm bảo tính bền, độ tin cậy, an toàn và độ chính xác cao.

Thông số cơ bản
| Đường kính ống phù hợp | Φ130mm-Φ230mm | Phương thức làm lạnh | Làm lạnh nước tuần hoàn |
| Đường kính dây hàn | Φ0.8mm、Φ1.0mm | Kích thước ngoài | 437mm×170mm×602mm |
| Chất liệu phù hợp | Thép carbon, thép không gỉ | Trọng lượng kẹp hàn | 24KG |
| Đường kính cực vonfram | Φ2.4mm | Nguồn điện phối hợp sử dụng | MWA-400 |
| Khí bảo vệ | Khí argon | Góc điều chỉnh thủ công của kẹp hàn | nhỏ hơn hoặc bằng 45° |
Danh sách cấu hình
| Số thứ tự | Tên sản phẩm | Thông số kỹ thuật | Đơn vị | Số lượng | Ghi chú |
| 1 | Máy hàn ống với ống dạng mở | MWG-230 | cái | 1 | Tiêu chuẩn |
| 2 | Nguồn điện điều khiển tích hợp | MWA-400 | cái | 1 | Tiêu chuẩn |
| 3 | Kim vonfram | Ф2.4mm×150mm | cái | 1 | Tiêu chuẩn |
| 4 | Kẹp cực vonfram | Ф2.4mm | cái | 1 | Tiêu chuẩn |
| 5 | Mũi hàn sứ | Định chế | cái | 1 | Tiêu chuẩn |
| 6 | Kẹp trong | Định chế | bộ | 1 | Tiêu chuẩn |
| 7 | Kẹp ngoài | Định chế | bộ | 1 | Tiêu chuẩn |
| 8 | Máy cấp dây hàn ngoài | Định chế | cái | 1 | Tiêu chuẩn |
| 9 | Máy tạo rãnh | Định chế | cái | 1 | Tùy chọn |
| 10 | Máy mài cực vonfram | Định chế | cái | 1 | Tùy chọn |
Phụ kiện đi kèm

Máy cấp dây hàn ngoài

Máy tạo rãnh

Máy mài cực vonfram












