Máy hàn ống với tấm tự động ở tất cả các vị trí MWP-65
mẫu mã sản phẩm:MWP-65
Phương thức hàn:Tự hàn chảy
Đặc điểm sản phẩm:Hàn ở tất cả các vị trí không quấn chằng, làm lạnh nước qua thanh trung tâm đến trực tiếp lõi nở định vị
Phương thức bảo vệ:Khí argon và làm lạnh nước tuần hoàn
Trọng lượng đầu hàn:10KG
Giới thiệu sản phẩm
1. Ngành ứng dụng: Bể nấu, lạnh công nghiệp, bộ trao đổi nhiệt, thiết bị chứa áp lực, v.v.;
2. Phạm vi áp dụng: Hàn ống với tấm cho các chất liệu như thép không gỉ, thép carbon, hợp kim titan, v.v.;
3. Thiết bị này được sử dụng cùng với nguồn điện điều khiển tích hợp MWA-400;
4. Dạng hàn: Ống xuất ra (hàn ống sao cho miệng ống xuất ra khỏi bề mặt tấm)、Ống ngang hàng (hàn ống sao cho miệng ống ngang với bề mặt tấm);
5. Thời gian bảo hành: Một năm.

Điểm nổi bật sản phẩm
1. Sử dụng cấu trúc lõi nở khí động với thao tác một nút để định vị đầu hàn nhanh chóng;
2. Phù hợp với các dạng hàn như ống xuất ra (miệng ống nổi ra ngoài bề mặt tấm)、ống ngang hàng (miệng ống ngang với bề mặt tấm)、ống co vào trong (miệng ống chìm vào bề mặt tấm) v.v.;
3. Có thể thực hiện hàn tự chảy (không cần dây hàn bổ sung) hoặc hàn điền dây (dùng dây hàn bổ sung),phù hợp với việc hàn các chất liệu như thép carbon、thép không gỉ v.v.;
4. Cấu trúc tổng thể thiết kế gọn gàng,hệ thống làm lạnh nước qua thanh trung tâm đến trực tiếp vị trí lõi nở;
5. Được cố định theo kiểu treo bằng dụng cụ nâng,không gian làm việc linh hoạt và phạm vi áp dụng rộng;
6. Sử dụng máy cấp dây hàn dạng tích hợp trong máy,có thể lắp đặt đĩa dây hàn 1KG (đĩa: vật chứa dây hàn có dạng tròn phẳng)。

Thông số cơ bản
| Đường kính ống phù hợp | Đường kính trong Φ16mm - Đường kính ngoài Φ63mm | Phương thức làm lạnh | Làm lạnh nước tuần hoàn |
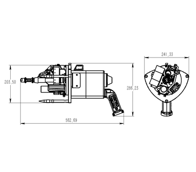
| Đường kính dây hàn | Φ0.8mm、Φ1.0mm | Kích thước ngoài | 563mm×241mm×286mm |
| Chất liệu phù hợp | Thép carbon、thép không gỉ、hợp kim titan | Trọng lượng đầu hàn | 9KG |
| Đường kính cực vonfram | Φ2.4mm | Nguồn điện phối hợp sử dụng | MWA-400 |
| Khí bảo vệ | Khí argon | Góc điều chỉnh thủ công của đầu hàn | nhỏ hơn hoặc bằng 30° |
Danh sách cấu hình
| Số thứ tự | Tên sản phẩm | Thông số kỹ thuật | Đơn vị | Số lượng | Ghi chú |
| 1 | Máy hàn ống với tấm tự động ở tất cả các vị trí | MWP-65 | cái | 1 | Tiêu chuẩn |
| 2 | Nguồn điện điều khiển tích hợp | MWA-400 | cái | 1 | Tiêu chuẩn |
| 3 | Mũi cấp dây hàn | Định chế | cái | 1 | Tiêu chuẩn |
| 4 | Kim vonfram | Ф2.4mm×150mm | cái | 1 | Tiêu chuẩn |
| 5 | Mũi hàn sứ | Định chế | cái | 1 | Tiêu chuẩn |
| 6 | Kẹp cực vonfram | Ф2.4mm | cái | 1 | Tiêu chuẩn |
| 7 | Lõi nở | Định chế | cái | 1 | Tiêu chuẩn |
| 8 | Bus đồng lõi nở | Định chế | cái | 1 | Tiêu chuẩn |
| 9 | Máy mài kim vonfram | Định chế | cái | 1 | Tùy chọn |
| 10 | Máy phẳng miệng ống | Định chế | cái | 1 | Tùy chọn |
Phụ kiện đi kèm
-
Kim vonfram
-
Lõi nở
-
Máy mài kim vonfram
Các trường hợp sử dụng











